|
湛江市政府门户网站
|
繁体版
|
移动版
|
无障碍阅读
|
长者助手
湛江市水务局
搜索
首页
机构概况
领导分工
机构职能
政务公开
工作动态
部门文件
政策解读
通知公告
政府信息公开
信息公开指南
信息公开年报
依申请公开
党务公开
重点领域信息公开
保密教育
政务服务
互动交流
首页
>
湛江市水务局
>
政务公开
>
信息公开年报
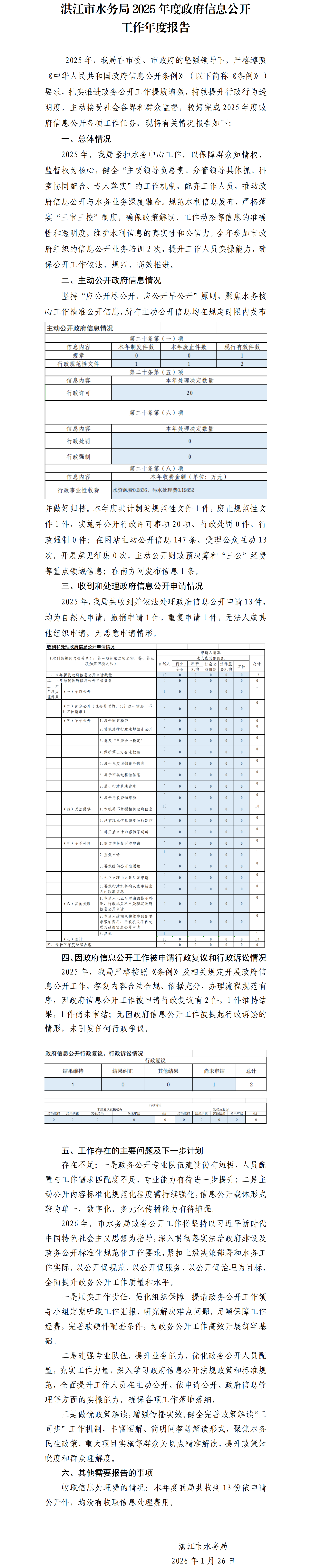
湛江市水务局2025年度政府信息公开工作年度报告
时间:2026-01-26 18:29:57
来源:湛江市水务局
【打印】
【字体:
大
中
小
】
分享到:
【打印本页】
【关闭窗口】
您访问的链接即将离开“湛江市人民政府门户网站”,是否继续?
继续访问
放弃